DFM Demiryolu Raylı Sistemler
info@dfmdemiryolu.com
+ 90 (312) 284 88 73
Teklif Al
Anasayfa
Ürünler
Traversler
Trİfon
Krapo
Krapo Bulonu
Cebİre
Cebİre Bulon Somunu
Ray
Hİzmetler
Raylı Sİstemler Yol Hİzmetleri
Raylı Sİstemler Makas Montajı
Raylı Sİstemler Ölçüm Hİzmetleri
Kurumsal
İ.K.
İletİşİm
Teklif Al
Ray
Ana Sayfa
Ürünler
33E1 (S33) Raylar
46E2 (U33) Raylar
49E1 (S49) Raylar
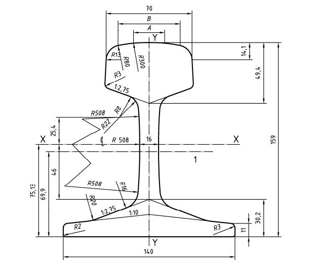
54E1 Ray Profili
60E1 (UIC60) Raylar
33E1 (S33) Raylar - Demiryolu Rayları
46E2 (U33) Raylar - Demiryolu Rayları
49E1 (S49) Raylar - Demiryolu Rayları
54E1 Ray Profili
60E1 (UIC60) Raylar - Demiryolu Rayları